| Warranty | 13 months |
|---|---|
| Place of Origin | Fujian, China |
| Brand Name | POPULACE |
| Model Number | HGM1790N |
| Size | 95 × 86 × 46.5 mm |
| Weight | 0.18kg |
| Certification | CE,ISO9001 |
SmartGen Controller Auto Start Generator Controller HGM1790N
![]() |
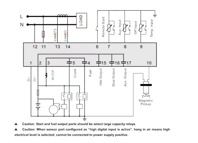
SmartGen Controller Auto Start Generator Controller HGM1790N HGM1790N genset controller is suit for single unit automation and monitoring control (also can be used for pimping unit). It can be started and stopped manually or via a remote start/stop signals. |
|
|
Features *Power Supply: DC(8-35)V * Case Dimensions: 95*86*46.5(mm) *Panel Cutout: 78*66(mm) * Operating Temp: (-25~70)℃
|

Yes, our factory is located in Xiamen,Fujian. Sincerely welcome you to visit us in China.
Yes, we are very glad to offer samples for your testing.
Normally 1 years warranty. If it is our quality problem, we will replace the new one or repair it for you.
Yes, we will check the quality 100% before we send out the goods.
If goods in stock,it needs 2-3 days after payment. If big quality and not in stock, it will needs about 3-7 days to make.
T/T, Western Union, Paypal, Alibaba order link, Money Gram, RMB directly. Cash.
Sea, Air or Express(FedEx,DHL,UPS,TNT,Aramex Etc.)
A gallery to showcase images from our company